
dc插座相信大家一定很熟悉,随著社會的發展,經濟不斷進步,人們生活水平也在不斷的提高,在現在家庭生活中電腦早已是一件不可缺少的生活用品,使得dc插座的使用也更加的廣泛,由於電腦型号和款式有所不一樣,使得在dc插座使用上也存在一些dc插座型号上的差異,下面讓小編帶大家全面的講解常用的dc插座規格有哪些。
DC插座的常用規格
針(zhēn)外徑(jìng)2.8MM 内徑(jìng)0.65MM
針(zhēn)外徑(jìng)3.8MM 内徑(jìng)1.0MM
針(zhēn)外徑(jìng)3.8MM 内徑(jìng)1.3MM
針(zhēn)外徑(jìng)4.2MM 内徑(jìng)1.6MM
針(zhēn)外徑(jìng)4.3MM 内徑(jìng)1.3MM
針(zhēn)外徑(jìng)4.3MM 内徑(jìng)1.0MM
針(zhēn)外徑(jìng)4.5MM 内徑(jìng)1.6MM
針(zhēn)外徑(jìng)5.6MM 内徑(jìng)2.5MM
針(zhēn)外徑(jìng)5.6MM 内徑(jìng)2.0MM
針(zhēn)外徑(jìng)6.1MM 内徑(jìng)2.5MM
針(zhēn)外徑(jìng)6.1MM 内徑(jìng)2.0MM
針(zhēn)外徑(jìng)6.3MM 内徑(jìng)2.5MM
針(zhēn)外徑(jìng)6.3MM 内徑(jìng)1.5MM
針(zhēn)外徑(jìng)6.5MM 内徑(jìng)2.5MM
針(zhēn)外徑(jìng)6.3MM 内徑(jìng)1.5MM
DC插頭的常用規格
孔外徑(jìng)2.5MM 内徑(jìng)0.8MM
孔外徑(jìng)3.5MM 内徑(jìng)1.3MM
孔外徑(jìng)4MM 内徑(jìng)1.2MM
孔外徑(jìng)4.8MM 内徑(jìng)1.7MM
孔外徑(jìng)5.0MM 内徑(jìng)1.2MM
孔外徑(jìng)5.0MM 内徑(jìng)2.1MM
孔外徑(jìng)5.0MM 内徑(jìng)2.5MM
孔外徑(jìng)5.5MM 内徑(jìng)2.1MM
孔外徑(jìng)5.5MM 内徑(jìng)2.5MM
孔外徑(jìng)5.5MM 内徑(jìng)3.0MM
孔外徑(jìng)5.0MM 内徑(jìng)1.2MM
孔外徑(jìng)6.3MM 内徑(jìng)2.1MM
DC插座常用的規格型号
DC電源插座DC-025M額定值是DC30V 0.5A,插入力度是3到20N,是插件DC電源插座。針芯直徑2.0/2.5mm,DC插座的孔徑尺寸是5.6mm,兩個插腳。有帶螺紋和不帶螺紋兩種。DC-025M主要應用於(yú)電視機、影碟機、組合音響、音箱、收錄機、計算機等家用電器電子儀器設備(bèi)。例如高清電視、電腦、DVC解碼闆、電子稱、按摩器、電飯煲、多媒體通訊、空調等。
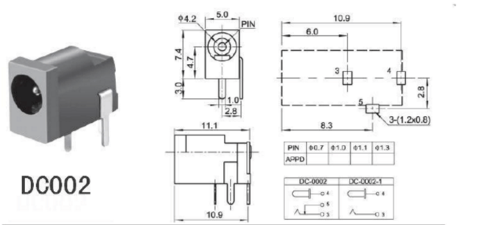
DC電(diàn)源插座DC-002額定值是DC30V 0.5A,插入力度是3到20N,是插件DC電(diàn)源插座,針芯直徑有1.0mm和1.3mm,分别有梅花針和圓針,DC插座的孔徑尺寸是4.2mm ,DC-002電(diàn)源插座主要應用領域:電(diàn)視機、影碟機、組合音響、音箱、收錄機、計算機等家用電(diàn)器電(diàn)子儀器設備(bèi)。
由於時間關系,小編隻能對這兩款常用的dc插座規格講解到這,如需瞭解更多關於dc插座規格或dc插座原理、應用、分類及安裝時易忽略的問題等訊息,請關注精密龍電子。工廠專業從事dc插座、可調電阻,電位器,開關及連接器的研發和生産,如有産品的需求歡迎緻電0755-837611936洽談。

Copyright © 廣東精密龍電子科技有限公司 版權所有 粵ICP備17035144号
粵公網安備44130202001184号
全國服務電(diàn)話:0755-83205533 傳(chuán)真:0755-83761155
公司地址:深圳市龍崗(gǎng)區龍崗(gǎng)大道8288号深圳大運軟件小鎮45棟(dòng)2樓

